Design hydraulics solutions in 3D CAD with IRONCAD. Fast, easy and flexible. Import purchased components such as motors and pumps. Create your own solutions like valve blocks, hydraulic tanks and frames. Unbeatably easy to design hydraulics in 3D with IRONCAD. It does not require an extra module but uses functions included in IRONCAD. Why not let your company benefit from IRONCAD too ?

The picture shows a hydraulic unit designed in IRONCAD by Industrihydraulik Sweden AB

Hydnet has offices in Stockholm, Gothenburg and Malmö. They design and deliver great hydraulic products for mobile, industrial and marine needs. This can include cartridge valves, valve blocks and hydraulic filters. In order to serve their customers in the best way and offer really good solutions, the right tools are required. Hydnet was looking for a competent and flexible 3D and 2D CAD system. The choice fell on IRONCAD which met their requirements for ease of use and speed. Hydnet uses IRONCAD to produce and develop technical solutions, sales support, calculations and CAD drawings. Through IRONCAD's catalogue system, they quickly and easily build libraries of ready-made, flexible 3D components that can be dragged and dropped into the 3D environment like building with Lego. The result is presented to the customer in 3D quickly and seamlessly. Hydraulic diagrams are produced in IRONCAD's built-in complete 2D solution with associated symbol libraries. All in one solution.
IRONCAD is a flexible 3D CAD tool well suited for the design of hydraulic cylinders and other hydraulic components. The program supports fast iterations and easy model management, making it easy to create both standard models and customized solutions. Together with rendering in tools like KeyShot it is also possible to visualize finished designs in high quality for production or customer presentation.


Industrihydraulik AB is a very successful company that designs complete hydraulic systems, valve blocks and hydraulic power units in IRONCAD. Industrihydraulik is also Sweden's largest supplier of special blocks to industry. Their brand is globally recognized and a large part of their products are exported worldwide. Industrihydraulik is a long-standing IRONCAD user. Hydraulic tanks can be designed using the SheetMetal feature and unfolded sheet metal exported to DXF for laser cutting. Frameworks can be designed easily with bent plate or beam and the profile range in IRONCAD. Many components such as filters, motors, pumps and other purchased components are easily imported into IRONCAD and all can be managed in the same file if desired. Pipes and hose routing are designed with 3D curves and everything can be optimized in 3D CAD to get the best fit instantly.
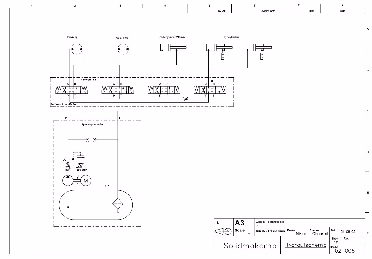
An important need for hydraulic (and even pneumatic) companies is to create a diagram that shows how the solution works and how it fits together. IRONCAD solves this with its built-in complete 2D CAD solution. As a user you do not need a separate 2D CAD program to solve this need. The 2D solution in IRONCAD is really powerful and can be used for all 2D needs including schematic drawing. It comes with ready-made libraries of symbols for both hydraulics and pneumatics. These libraries can easily be supplemented with more symbols that the user wants to have quick access to. IRONCAD's 2D solution can of course both open existing, edit and create new files in DWG and DXF 2D formats.
With IRONCAD , companies can hand over really good documentation in both 3D and 2D formats to the customer.

With IRONCAD, it's easy to create and reuse holes and cartridge valves, for example. You simply drag these out into catalogs on the side of the screen. Save in different catalogs and group these by use. This allows you to easily reuse different types of, for example, threaded holes with associated bores as shown in this case. This technique is suitable in many situations. It can also be return filters, level glasses, nipples. All can create suitable hole patterns automatically in what you drop it on. Like building with lego.
The channels for the oil in a block are easy to see if they are properly designed through the transparency of the block and colouring. Or simply by inverting the block and viewing the channels as "positive" material. You'll have a more fun and efficient workday with IRONCAD.
IRONCAD is built for design-intensive industries where you often work with large assemblies, sheet metal, hydraulics, layouts or special machines. You can drag and drop finished components from catalogs, change entire machines in seconds, and switch freely between 2D and 3D environments - perfect for automation, sheet metal bending, construction machinery, hydraulic systems, layout planning, construction forging, and packaging design.
Our basic training is 2 + 2 days (4 days in total). Already after the first two days, most designers are fully productive on basic 3D modeling and assembly. The final two days focus on advanced features, catalog management and your own projects.
Yes - we supply ready-made basic templates and catalogue structures that you can easily customize yourself with your own standard components, beam profiles, hydraulic hoses, sheet metal parts or packaging standards. It only takes a few minutes to fill up with your items and you save a lot of time in the future.
Absolutely. With our Translator, you can open, edit and save files from other CAD systems without losing geometry.
Extremely powerful. You can manage tens of thousands of parts in the same file, move entire machines or factory layouts with a single click and see everything in real time - perfect for layout, construction machinery and automation projects.
Sheet metal bending and layout is included in the basic version of IRONCAD - you get sheet metal layout, bending lines and accurate fabrication data instantly. For construction forging, powerful beam and profile tools and hole tables are included in IC Mechanical.
Yes - all our support and training is in Swedish and we have extensive experience in automation, sheet metal bending, hydraulics, construction and packaging. You get answers quickly.
Of course we do. We always provide a free trial license (30-60 days) with your own drawings and layouts so you can see exactly how much time you save before you decide.